-
Central de Monitoramento - SolarView PRO
- Boas Vindas e primeiros passos na Central de Monitoramento e Pós-Venda
- Central de Conteúdos SOLARVIEW
- Como acessar uma usina instalada por outro integrador?
- Como analisar parâmetros elétricos? Analytics
- Como associar o cliente em uma unidade na SOLARVIEW?
- Como associar um EQUIPAMENTO SOLARVIEW em uma unidade?
- Como atualizar a tarifa automaticamente?
- Como configurar o número de whatsapp na central de pós-venda?
- Como criar conta para o cliente final / proprietário?
- Como criar nova conta na SOLARVIEW?
- Como é identificado o consumo na visão geral?
- Como fazer a Integração Digital com um portal de monitoramento?
- Como inserir ou editar a tarifa de energia na SOLARVIEW?
- Como integrar a concessionária de energia EDP na SOLARVIEW?
- Como integrar a concessionária de energia Equatorial na SOLARVIEW?
- Como integrar a concessionária Energisa na SolarView?
- Como integrar o portal HUAWEI FUSION SOLAR na SOLARVIEW?
- Como integrar o portal SOLAREDGE na SOLARVIEW?
- Como integrar o SMART METER SOLARVIEW em uma unidade?
- Como integrar uma concessionária de energia na SOLARVIEW?
- Como mudar de proprietário na SOLARVIEW?
- Como receber alertas e notificações técnicas via Whatsapp?
- Como recuperar o histórico de dados de produção de uma usina?
- Como regularizar pagamento na SOLARVIEW?
- Como tornar uma usina premium (como fazer upgrade)?
- Como unificar o portal SOLARMAN para integrar na SOLARVIEW?
- Como utilizar o novo menu SolarView?
- O que é a central de monitoramento SOLARVIEW?
- O que é autossuficiência? Por que ela é importante?
- Por que atualizar a integração Hoymiles na SolarView?
- Quais concessionárias de energia estão integradas na SolarView?
- Quais são as funções da Plataforma SolarView PRO?
- Quais são os planos do monitoramento SOLARVIEW PRO?
- Show all articles (18) Collapse Articles
-
- Cálculo dos dados de Energia e Economia Total - Visão Geral
- Como dar Permissão na SolarView PRO?
- Como funciona o portal da SolarView para uma conta cliente?
- Como instalar o Aplicativo da SolarView
- Como usar a Visão Geral na SOLARVIEW?
- Como Utilizar o Recurso de Permissões de Usuário?
- Como utilizar os Filtros na sua Visão Geral?
- O que eu consigo visualizar no Show Room?
- O que são e como é calculado os dados de sustentabilidade?
- O que significa os status apresentado no portal de monitoramento e o que deve ser verificado?
- Quais informações precisa preencher manualmente no Portal SolarView PRO?
- Qual o aplicativo para monitoramento do portal da SolarView?
-
- Como alterar a forma de pagamento da minha assinatura da SolarView Pro
- Como alterar a forma de pagamento da SolarView PRO?
- Como efetuar a troca do cartão de crédito na SolarView PRO?
- Como manter minha assinatura em dia?
- Como posso gerenciar minha assinatura?
- Como regularizar pagamento na SOLARVIEW?
- Meu pagamento não foi aprovado. O que fazer?
- Não consigo Pagar minha Fatura da SolarView PRO, o que fazer?
- O que é a central de monitoramento SOLARVIEW?
- O que fazer quando ocorre uma Falha no processo de Pagamento da SolarView PRO?
- Quais as funções da interface Gerenciar Assinatura?
- Quais são os planos do monitoramento SOLARVIEW PRO?
- Qual o modelo de cobrança da assinatura?
- Qual o modelo de cobrança da assinatura?
-
- Como configurar a SolarView PRO
- Como Configurar a SolarView PRO - Notificações Automáticas
- Como Configurar a SolarView PRO - Relatório da Usina com e sem Fatura
- Como Configurar a SolarVIew PRO - Sistema de Saúde da Usina - SUS
- Como integrar o portal HUAWEI FUSION SOLAR na SOLARVIEW?
- Introdução à Plataforma
-
- Como analisar o desempenho na Visão Geral?
- Como fazer Análise de Desempenho Comparativa
- Como funcionam as cores do Índice do SUS no comparativo entre Usinas?
- É possível selecionar mais de uma Usina em Filtros na SolarView PRO?
- O que é a Saúde da Usina Solar ?
- Por que o SUS não aparece na minha Unidade?
- Qual o período de desempenho mostrado pelo SUS mostrado na Visão Geral?
-
- Como a economia do relatório é calculada?
- Como enviar relatórios via WhatsApp ou e-mail?
- Conhecendo o Módulo de Relatórios da SolarView
- É possível gerar relatório para Unidades Consumidoras onde é monitorado apenas Consumo?
- O Relatório é compatível com todas as Concessionárias de Energia?
- Quais são os Modelos de Relatório da Usina?
- Todo mês tenho que inserir os dados para gerar um novo Relatório?
-
- Como gerar um Relatório da Usina com a Fatura para grupo A - Autoconsumo Remoto na SolarView PRO?
- Como gerar um Relatório da Usina com a Fatura para grupo A - Geração junto à carga?
- Como gerar um Relatório da Usina com a Fatura para grupo B - Autoconsumo Remoto na SolarView PRO?
- Como gerar um Relatório da Usina com a Fatura para grupo B - Geração junto à carga?
- Como gerar um Relatório da Usina na Central SolarView?
- Como identificar os campos necessários para Geração do Relatório na Fatura da CEMIG?
- Como identificar os campos necessários para Geração do Relatório na Fatura da RGE?
- Como identificar os campos para Geração do Relatório na Fatura da CELESC-DIS?
- Como identificar os campos para Geração do Relatório na Fatura da concessionária ENERGISA (AC, MT, MS, MG, NOVA FRIBURGO, PA e SE)?
- Como identificar os campos para Geração do Relatório na Fatura da concessionária ENERGISA (TOCANTINS e SUL-SUDESTE)?
- Como identificar os campos para Geração do Relatório na Fatura da concessionária LIGHT?
- Como identificar os campos para Geração do Relatório na Fatura da COPEL?
- Como identificar os campos para Geração do Relatório na Fatura da CPFL?
- Como identificar os campos para Geração do Relatório na Fatura da CPFL?
- Como identificar os campos para Geração do Relatório na Fatura da ENEL?
- Como identificar os campos para Geração do Relatório na Fatura da ENERGISA?
- Como identificar os campos para Geração do Relatório na Fatura da NEOENERGIA?
- Entendendo as variáveis da fatura energia para Relatório da Usina com fatura para grupo A – Geração junto à carga?
- Entendendo as variáveis da fatura energia para Relatório da Usina com fatura para grupo B – Geração junto à carga?
- Show all articles (4) Collapse Articles
-
- Como alterar dados Cadastrais de Uma Integração Digital?
- Como excluir uma Unidade com Integração Digital?
- Como fazer a Integração Digital com um portal de monitoramento?
- Como integrar o portal de monitoramento do inversor?
- Como Integrar o Portal Foxess na SolarView
- Como integrar o portal HUAWEI FUSION SOLAR na SOLARVIEW?
- Como Integrar o Portal Solar EDGE na SolarView
- Como realizar a integração com Ecosolys?
- Migração do portal Solis Cloud - Ação necessária
- Quais são as informações disponibilizadas na Integração com Ecosolys?
-
- Como Acessar a Fatura no Portal da SolarView PRO?
- Como Baixar a Fatura no Portal da SolarView PRO?
- Como identificar o numero do cliente e o número da instalação em uma fatura da CEMIG
- O que é custo de Disponibilidade?
- O que é Grupo Tarifário?
- O que é Saldo líquido?
- O que é TUSD e TE?
- Qual o número de Faturas que a SolarView PRO busca no Portal da Agência Virtual da concessionária de energia?
-
- Como cadastrar uma nova regra de notificação técnica na plataforma SolarView PRO?
- Como configurar e editar as regras de notificação e alertas?
- Como excluir uma regra de notificações técnicas na plataforma SolarView PRO?
- Como habilitar ou desabilitar uma regra de notificação técnica na Plataforma SolarView PRO?
- Como realizar a configuração das notificações técnicas na Plataforma SolarView PRO?
- Como selecionar as usinas que serão habilitadas para notificação, na plataforma da SolaView PRO?
- Como visualizar as notificações dos status das credenciais junto as concessionárias de energia?
- Onde visualizo as notificações técnicas do portal SolarView PRO?
-
- A localização da minha Usina está errada. O que devo fazer?
- Como a economia do relatório é calculada?
- Como acessar o show room da SolarView
- Como adicionar uma unidade no portal Sices
- Como alterar o e-maill da minha conta?
- Como encerrar minha conta no portal da SolarView?
- Como excluir unidade no portal de monitoramento?
- Como funciona o portal da SolarView para integradores?
- Como integrar o portal HUAWEI FUSION SOLAR na SOLARVIEW?
- Como redefinir a senha do portal de monitoramento?
- É possível gerar relatório para Unidades Consumidoras onde é monitorado apenas Consumo?
- O que é a central de monitoramento SOLARVIEW?
- O que eu consigo monitorar no portal da SolarView?
- O que são e como é calculado os dados de sustentabilidade?
- O que significa os status apresentado no portal de monitoramento e o que deve ser verificado?
- O Relatório é compatível com todas as Concessionárias de Energia?
- Por que as Tarifas de Energia Compensada e Faturada são diferentes?
- Quais concessionárias de energia estão integradas na SolarView?
- Quais os tipos de permissões?
- Quais portais de monitoramento estão integrados à SolarView PRO?
- Quais recursos estão disponíveis na SolarView PRO?
- Qual a taxa de apresentação dos dados no Portal de Monitoramento?
- Qual o prazo de atualização da Plataforma SolarView PRO em relação ao Portal de origem?
- Qual o significado de cada Status da Unidade Consumidora no Portal da SolarView PRO?
- Sou integrador, como realizar o meu cadastro?
- Tenho mais de uma instalação, preciso fazer mais de um Cadastro de Credencial na SolarView PRO?
- Todo mês tenho que inserir os dados para gerar um novo Relatório?
- Show all articles (12) Collapse Articles
-
- Como adicionar Colaboradores na SolarView PRO?
- Como adicionar um proprietário a uma unidade no portal Sices
- Como Adicionar, Editar, Excluir ou Alterar o Acesso de um Colaborador na SolarView PRO?
- Como alterar a senha da minha conta integradora?
- Como Alterar a Senha de um Colaborador na SolarView PRO?
- Como alterar meu logotipo na SolarView?
- Como alterar o e-maill da minha conta?
- Como Alterar o tipo de Ação de um Colaborador na SolarView PRO?
- Como conceder acesso a dois ou mais clientes a mesma usina?
- Como disponibilizar o acesso de mais de uma unidade para meu cliente acessar com um só login?
- Como encerrar minha conta no portal da SolarView?
- Como Excluir a Conta de um Colaborador?
- Como excluir conta integradora ou cliente?
- Como funciona o acesso do meu Cliente?
- Como Gerenciar seus Colaboradores na plataforma Solarview PRO?
- Como o integrador altera a senha ou e-mail da conta de seu cliente?
- Como redefinir a senha do portal de monitoramento?
- Configurando a conta do Usuário/Empresa
- Posso dar permissão para uma conta Cliente?
- Show all articles (4) Collapse Articles
-
- A localização da minha Usina está errada. O que devo fazer?
- Como adicionar um proprietário a uma unidade no portal Sices
- Como adicionar uma unidade no portal Sices
- Como conceder acesso a dois ou mais clientes a mesma usina?
- Como criar um link publico para todas as suas usinas?
- COMO CRIAR UMA UNIDADE PÚBLICA?
- Como editar as informações da sua unidade?
- Como fazer gestão de créditos em usinas de autoconsumo remoto?
- Como integrar o portal HUAWEI FUSION SOLAR na SOLARVIEW?
- Como unificar unidades entre diferentes portais na central de monitoramento da SolarView?
-
Smart Meter - Medidor inteligente
- Como alterar o tipo de circuito do datalogger medidor?
- Como excluir um medidor, ou um inversor, de uma unidade da SolarView?
- Como testar a precisão do medidor?
- Datasheet do SmartMeter 2.0
- Manual do medidor Schneider
- Manual do Medidor SolarView SmartMeter 1.0
- Manual do usuário - SmartMeter SolarView 2.0
- Onde conectar o Neutro no circuito tipo Trifásico Delta no Medidor Inteligente - SmartMeter 2.0 ?
- Onde instalar o medidor inteligente de energia?
- Qual é a orientação correta do Transformador de Corrente (TC)?
-
- Como Adicionar o Medidor Inteligente - Smart Meter 2.0 no Portal de Monitoramento - Em uma Unidade já Existente
- Como Adicionar o Medidor Inteligente - Smart Meter 2.0 no Portal de Monitoramento - Em uma Unidade Nova
- Como configurar a hora do meu Medidor Inteligente - SmartMeter 2.0?
- Como configurar o Medidor inteligente - SmartMeter 2.0 na rede Wifi?
- Como instalar e configurar o medidor Smart Meter SolarView 2.0?
- Como Instalar o Smart Meter 2.0 (vídeo tutorial)
- Como realizar a configuração do Medidor Inteligente - SmartMeter 2.0?
- Como resetar a energia do Smart Meter 2.0 ?
- Como verificar o consumo de uma carga especifica com o Medidor Inteligente - SmartMeter da SolarView?
- Guia rápido datalogger 1.0 e 2.0
- Guia Rápido do Medidor Inteligente - SmartMeter 2.0
- O que significa os status do LED do Smart Meter 2.0?
- O que significa os status do LED do Smart Meter 2.0?
- O Smart Meter 2.0 suporta quais níveis de tensão?
- Onde conectar o Neutro no circuito tipo Trifásico Delta no Medidor Inteligente - SmartMeter 2.0 ?
- Posso ligar o Medidor Inteligente - SmartMeter 2.0 em uma rede com tensão de 380V?
- Posso trocar os Tcs do meu Medidor Inteligente - SmartMeter SolarView por um outro ?
- Quais as características e as dimensões dos TCs do SmartMeter SolarView 2.0?
- Quais são os certificados do SmartMeter 2.0?
- Qual a diferença entre os tipos de circuitos Trifásico Delta e Estrela?
- Qual a taxa de atualização da leitura dos dados na página do medidor inteligente - SmartMeter 2.0?
- Show all articles (6) Collapse Articles
-
- Como Adicionar o Medidor Inteligente - Smart Meter 2.0 no Portal de Monitoramento - Em uma Unidade Nova
- Como o Integrador atualiza firmware do Smart Meter 2.0?
- Como verificar o consumo de uma carga especifica com o Medidor Inteligente - SmartMeter da SolarView?
- Quais os parâmetros são coletados dos medidores de energia da SolarView ?
- Quais os parâmetros são coletados dos medidores inteligentes - SmarMeter - de energia da SolarView ?
- Qual a capacidade de armazenamento do Medidor Inteligente - SmartMeter 2.0?
- Qual a taxa de atualização da leitura dos dados na página do medidor inteligente - SmartMeter 2.0?
-
- Como Adicionar o Medidor Inteligente - Smart Meter 2.0 no Portal de Monitoramento - Em uma Unidade já Existente
- Como Adicionar o Medidor Inteligente - Smart Meter 2.0 no Portal de Monitoramento - Em uma Unidade Nova
- Como configurar IP estático no Datalogger ou medidor
- Como excluir um medidor, ou um inversor, de uma unidade da SolarView?
- Como inativar um medidor, ou um datalogger em uma unidade?
- Como integrar o portal HUAWEI FUSION SOLAR na SOLARVIEW?
- COMO RECUPERAR DADOS DO SMARTMETTER 2.0 APÓS UM PERÍODO OFFLINE
- Como resetar a energia do Smart Meter 2.0 ?
- Existe perda de precisão ao estender os cabos do TC?
- O que é a relação de transformação do medidor inteligente da SolarView?
- O que fazer quando SMT 2.0 apresenta o Status de não existe no Portal de Monitoramento
- O que significa os status do LED do Smart Meter 2.0?
- O que significa os status do LED do Smart Meter 2.0?
- O Smart Meter 2.0 suporta quais níveis de tensão?
- O Smart Meter 2.0 tem registro do INMETRO?
- Onde conectar o Neutro no circuito tipo Trifásico Delta no Medidor Inteligente - SmartMeter 2.0 ?
- Posso ligar o Medidor Inteligente - SmartMeter 2.0 em uma rede com tensão de 380V?
- Posso trocar os Tcs do meu Medidor Inteligente - SmartMeter SolarView por um outro ?
- Quais os parâmetros são coletados dos medidores de energia da SolarView ?
- Qual a diferença entre os tipos de circuitos Trifásico Delta e Estrela?
- Qual deve ser a corrente do meu Medidor Inteligente - SmartMeter?
- Show all articles (6) Collapse Articles
-
- Como alterar o tipo de circuito do datalogger medidor?
- Como Configurar um Datalogger com o Medidor da Schneider?
- Como instalar e configurar o medidor inteligente Smart Meter SolarView 1.0 (Schneider)?
- Como instalar e configurar o medidor Smart Meter SolarView 1.0 (Schneider)?
- Como verificar o consumo de uma carga especifica com o Medidor Inteligente - SmartMeter da SolarView?
- Guia Rápido do Medidor SolarView 1.0
- Guia Rápido do SmartMeter - Solução com Schneider
- O que é a relação de transformação do medidor inteligente da SolarView?
- Posso trocar os Tcs do meu Medidor Inteligente - SmartMeter SolarView por um outro ?
-
Datalogger - Comunicador universal
- Como adicionar um Datalogger a uma unidade no portal Sices
- Como conectar o datalogger na internet?
- Como conectar um Datalogger em Multi-inversores ?
- Como configurar o datalogger SOLARVIEW?
- Como excluir o datalogger, medidor ou controlador de uma unidade?
- Como excluir um medidor, ou um inversor, de uma unidade da SolarView?
- Como instalar e configurar o datalogger SolarView?
- Como tirar o IP estático do Datalogger?
- Como verificar se o cabeamento de comunicação está correto?
- Datasheet Datalogger 1.0
- É possível alterar parâmetros dos inversores pelo Datalogger?
- O que é o RTC e o que significa estar sem bateria ou descarregado ?
- O que eu preciso saber sobre o datalogger da SolarView?
- O que muda entre o datalogger 1.0 e o 2.0?
- O que significam os status do LED do Datalogger 2.0?
- O que significam os status do LED do Datalogger 2.0?
- Quais inversores estão integrados com o datalogger?
- Quais os parâmetros coletados dos inversores pelo datalogger ?
- Qual é a diferença entre a versão 1.0 e 2.0 do Datalogger SolarView?
- Show all articles (4) Collapse Articles
-
- Como apagar inversores ou medidores configurados no Datalogger?
- Como atualizar o firmware do Datalogger?
- Como configurar mais de um inversor no Datalogger?
- Como configurar o datalogger SOLARVIEW?
- Como é feita a coleta de dados quando o datalogger perde a conexão com a rede de internet do local ?
- Guia rápido datalogger 1.0 e 2.0
- Guias-rápidos de como conectar o datalogger ao inversor
- Por que e como configurar o número de strings no datalogger ?
- Posso estender o cabo que conecta o datalogger ao inversor ?
- Quais as especificações da fonte do datalogger?
- Qual a precisão do SmartMeter 2.0?
- Qual o consumo mensal de dados do datalogger ?
-
- Como apagar inversores ou medidores configurados no Datalogger?
- Como atualizar o firmware do Datalogger?
- Como configurar mais de um inversor no Datalogger?
- Como configurar o datalogger SOLARVIEW?
- Como é feita a coleta de dados quando o datalogger perde a conexão com a rede de internet do local ?
- Guias-rápidos de como conectar o datalogger ao inversor
- O que significam os status do LED do Datalogger 1.0 ?
- Por que e como configurar o número de strings no datalogger ?
- Posso estender o cabo que conecta o datalogger ao inversor ?
- Quais as especificações da fonte do datalogger?
- Qual o consumo mensal de dados do datalogger ?
-
- Boas Vindas e primeiros passos na Central de Monitoramento e Pós-Venda
- Como funciona o datalogger para sistemas fotovoltaicos?
- É possível alterar parâmetros dos inversores pelo Datalogger?
- O que é o RTC e o que significa estar sem bateria ou descarregado ?
- Por que e como configurar o número de strings no datalogger ?
- Quais são as funções da Plataforma SolarView PRO?
- Qual a capacidade de armazenamento de dados do datalogger?
- Qual a precisão do SmartMeter 2.0?
- Quantas vezes o datalogger tenta se reconectar com a internet depois que perde a conexão?
-
- Como adicionar um Datalogger a uma unidade no portal Sices
- Como alterar o serial do datalogger ?
- Como alterar o serial do datalogger ?
- Como apagar inversores ou medidores configurados no Datalogger?
- Como cadastrar um datalogger ou um medidor na SOLARVIEW?
- Como conectar um Datalogger em Multi-inversores ?
- Como configurar IP estático no Datalogger ou medidor
- Como excluir conta integradora ou cliente?
- Como excluir inversores/medidores/Dataloggers do portal de monitoramento da Sices ?
- Como excluir o datalogger, medidor ou controlador de uma unidade?
- Como excluir um medidor, ou um inversor, de uma unidade da SolarView?
- Como garantir uma boa conexão de internet Wifi para o monitoramento?
- Como integrar o portal HUAWEI FUSION SOLAR na SOLARVIEW?
- Como saber o endereço MAC do Datalogger?
- Como tirar o IP estático do Datalogger?
- Datasheet Datalogger 2.0
- De onde vem os dados retroativos do monitoramento no Portal de Monitoramento SolarView?
- É possível alterar parâmetros dos inversores pelo Datalogger?
- Guias-rápidos de como conectar o datalogger ao inversor
- O que é o RTC e o que significa estar sem bateria ou descarregado ?
- O que fazer quando o led do meu datalogger estiver fixo?
- O que significam os status do LED do Datalogger 2.0?
- O que significam os status do LED do Datalogger 2.0?
- Posso estender o cabo que conecta o datalogger ao inversor ?
- Quais as especificações da fonte do datalogger?
- Quais os parâmetros coletados dos inversores pelo datalogger ?
- Quais são os certificados do Datalogger 2.0?
- Quais são os eventos que são mostrados no portal de monitoramento?Como visualiza-los?
- Qual o consumo mensal de dados do datalogger ?
- Show all articles (14) Collapse Articles
-
Portal de Monitoramento SolarView
- Boas Vindas e primeiros passos na Central de Monitoramento e Pós-Venda
- Cálculo de consumo de uma unidade de balanço energético quando não tem o registros dos dados de geração
- Como adicionar a tarifa binômia (HP e HFP) em uma unidade de equipamento da SolarView?
- Como cadastrar uma nova unidade no portal da SolarView?
- Como é feito o calculo do valor de consumo de uma unidade com dados de geração e de grid?
- Como fazer o balanço energético?
- Como fazer o download de um período específico de dados?
- Como funciona uma Usina com um Medidor Inteligente da SolarView em consumo?
- Como mudar de integrador?
- Como unir um equipamento SolarView e uma integração digital na mesma unidade?
- De onde vem os dados de produção ?
- O que acontece com uma unidade de balanço energético quando esta sem os dados de grid?
- O que é o Balanço Energético da SOLARVIEW
- O que eu consigo monitorar no portal da SolarView?
- O que ocorre quando minha unidade ficar sem o monitoramento por um período de tempo ?
- Quais são as funções da Plataforma SolarView PRO?
- Usina com medidor em consumo no Portal de Monitoramento
- Show all articles (2) Collapse Articles
-
Canais de atendimento SolarView
-
SolarView Academy
-
Hardware - SolarView IOT
-
Grid Zero
- Certificado de conformidade do Medidor SolarView
- COMO CONECTAR O MEDIDOR GRID ZERO SOLARVIEW NO INVERSOR HOPEWIND MONOFÁSICO (HSSP3K-G01 / HSSP4K-G01 / HSSP5K-G01 / HSSP6K-G01 / HSSP8K-G01 / HSSP10K-G01)
- COMO CONECTAR O MEDIDOR GRID ZERO SOLARVIEW NO INVERSOR HOPEWIND TRIFÁSICO (hopeSun 100KTL e hopeSun 110KTL)
- COMO CONECTAR O MEDIDOR GRID ZERO SOLARVIEW NO INVERSOR HUAWEI TRIFÁSICO (SUN2000-3KTL-M0 / SUN2000-4KTL-M0 / SUN2000-5KTL-M0 / SUN2000-6KTL-M0 / SUN2000-8KTL-M0 / SUN2000-10KTL-M0)
- COMO CONECTAR O MEDIDOR GRID ZERO SOLARVIEW NO INVERSOR TRIFÁSICO (ASW15K-UT-G3)
- COMO CONECTAR O MEDIDOR GRID ZERO SOLARVIEW NO INVERSOR TRIFÁSICO (ASW20K-UT-G3 e ASW25K-UT-G3)
- COMO CONECTAR O MEDIDOR GRID ZERO SOLARVIEW NO INVERSOR TRIFÁSICO (ASW25K-LT-G3 e ASW40K-LT-G3)
- COMO CONECTAR O MEDIDOR GRID ZERO SOLARVIEW NO INVERSOR TRIFÁSICO (ASW30K-LT-G2 / ASW33K-LT-G2 / ASW36K-LT-G2 / ASW40K-LT-G2 / ASW45K-LT-G2 / ASW50K-LT-G2)
- COMO CONECTAR O MEDIDOR GRID ZERO SOLARVIEW NO INVERSOR TRIFÁSICO (ASW30K-UT-G3 / ASW36K-UT-G3 / ASW37.5K-UT-G3)
- COMO CONECTAR O MEDIDOR GRID ZERO SOLARVIEW NO INVERSOR TRIFÁSICO (ASW3K-LT-G2-Pro até ASW20K-LT-G2-Pro)
- COMO CONECTAR O MEDIDOR GRID ZERO SOLARVIEW NO INVERSOR TRIFÁSICO (ASW45K-LT-G3 / ASW50K-LT-G3 / ASW60K-LT-G3)
- COMO CONECTAR O MEDIDOR GRID ZERO SOLARVIEW NO INVERSOR TRIFÁSICO (ASW75K-LT ATÉ ASW110K-LT)
- COMO CONECTAR O MEDIDOR GRID ZERO SOLARVIEW NO INVERSOR TRIFÁSICO (ASW8K-LT-G2 ATÉ ASW20K-LT-G2)
- COMO CONECTAR O MEDIDOR GRID ZERO SOLARVIEW NO INVERSOR TRIFÁSICO (ASW8K-LT-G2 ATÉ ASW20K-LT-G2)
- COMO CONECTAR O MEDIDOR GRID ZERO SOLARVIEW NO INVERSOR WEG TRIFÁSICO (SIW500H SK020)
- COMO CONECTAR O MEDIDOR GRID ZERO SOLARVIEW NO INVERSOR WEG TRIFÁSICO (SIW500H ST012 / SIW500H ST015 / SIW500H ST020)
- COMO CONECTAR O MEDIDOR GRID ZERO SOLARVIEW NO INVERSOR WEG TRIFÁSICO (SIW500H ST030-M3 / SIW500H ST036-M3 / SIW500H ST040-M3)
- COMO CONECTAR O MEDIDOR GRID ZERO SOLARVIEW NO INVERSOR WEG TRIFÁSICO SIW500H ST012-M2 / SIW500H ST015-M2 / SIW500H ST020-M2
- COMO CONECTAR O MEDIDOR GRID ZERO SOLARVIEW NO INVERSOR FoxESS - MONOFÁSICO (G7~10.5)
- COMO CONECTAR O MEDIDOR GRID ZERO SOLARVIEW NO INVERSOR FoxESS - MONOFÁSICO (S700~3300-G2)
- COMO CONECTAR O MEDIDOR GRID ZERO SOLARVIEW NO INVERSOR FoxESS - TRIFÁSICO (T3~25-G3)
- COMO CONECTAR O MEDIDOR GRID ZERO SOLARVIEW NO INVERSOR HUAWEI MONOFÁSICO (SUN2000-8K-LC0 / SUN2000-7.5K-LC0 / SUN2000-10K-LC0)
- COMO CONECTAR O MEDIDOR GRID ZERO SOLARVIEW NO INVERSOR INTELBRAS - TRIFÁSICO (IONS-12K T2 (AFCI) / IONS-15K T2 (AFCI) / IONS-20K T2 (AFCI)?
- COMO CONECTAR O MEDIDOR GRID ZERO SOLARVIEW NO INVERSOR SOLIS - MONOFÁSICO (S5-GR1P7K / S5-GR1P8K / S5-GR1P9K / S5-GR1P10K)?
- COMO CONECTAR O MEDIDOR GRID ZERO SOLARVIEW NO INVERSOR SOLIS - MONOFÁSICO (Solis S6-GR1P0.7K-M / S6-GR1P1K-M / S6-GR1P1.5K-M / S6-GR1P2K-M / S6-GR1P2.5K-M / S6-GR1P3K-M / S6-GR1P3.6K-M)?
- COMO CONECTAR O MEDIDOR GRID ZERO SOLARVIEW NO INVERSOR SOLIS - MONOFÁSICO (Solis S6-GR1P0.7K-M / S6-GR1P1K-M / S6-GR1P1.5K-M / S6-GR1P2K-M / S6-GR1P2.5K-M / S6-GR1P3K-M / S6-GR1P3.6K-M)?
- COMO CONECTAR O MEDIDOR GRID ZERO SOLARVIEW NO INVERSOR SOLIS - MONOFÁSICO (Solis S6-GR1P2.5K / S6-GR1P3K / S6-GR1P3.6K / S6-GR1P4K / S6-GR1P4.6K / S6-GR1P5K / S6-GR1P6K)?
- COMO CONECTAR O MEDIDOR GRID ZERO SOLARVIEW NO INVERSOR SOLIS - MONOFÁSICO (Solis S6-GR1P2.5K-S / S6-GR1P3K-S / S6-GR1P3.6K-S / S6-GR1P4K-S / S6-GR1P4.6K-S / S6-GR1P5K-S / S6-GR1P6K-S)?
- COMO CONECTAR O MEDIDOR GRID ZERO SOLARVIEW NO INVERSOR SOLIS - MONOFÁSICO (Solis S6-GR1P7K02-NV-YD-HC / S6-GR1P7K2 / S6-GR1P7.5K2 / S6-GR1P7.7K2 / S6-GR1P8K02-NV-YD-HC / S6-GR1P8K2)?
- COMO CONECTAR O MEDIDOR GRID ZERO SOLARVIEW NO INVERSOR SOLIS - MONOFÁSICO (Solis S6-GR1P7K02-NV-YD-HC / S6-GR1P7K2 / S6-GR1P7.5K2 / S6-GR1P7.7K2 / S6-GR1P8K02-NV-YD-HC / S6-GR1P8K2)?
- COMO CONECTAR O MEDIDOR GRID ZERO SOLARVIEW NO INVERSOR SOLIS - MONOFÁSICO (Solis S6-GR1P7K03-NV-ND / S6-GR1P8K03-NV-ND / S6-GR1P9K03-NV-ND / S6-GR1P10K03-NV-ND)?
- COMO CONECTAR O MEDIDOR GRID ZERO SOLARVIEW NO INVERSOR SOLIS - MONOFÁSICO (Solis-mini-700-4G / Solis-mini-1000-4G / Solis-mini-1000-4G-LV / Solis-mini-1500-4G / Solis-mini-2000-4G / Solis-mini-2500-4G / Solis-mini-3000-4G / Solis-mini-3600-4G)?
- COMO CONECTAR O MEDIDOR GRID ZERO SOLARVIEW NO INVERSOR SOLIS - MONOFÁSICO (SOLIS-S6-GR1P7K~10K03-NV-ND)?
- COMO CONECTAR O MEDIDOR GRID ZERO SOLARVIEW NO INVERSOR SOLIS - TRIFASICO (25K-5G / 30K-5G / 33K-5G / 36K-5G / 40K-5G / 40K-HV-5G / 50K-HV-5G / 15K-LV-5G / 20K-LV-5G / 23K-LV-5G)?
- COMO CONECTAR O MEDIDOR GRID ZERO SOLARVIEW NO INVERSOR SOLIS - TRIFASICO (S5-GR3P15K / S5-GR3P17K / S5-GR3P20K)?
- COMO CONECTAR O MEDIDOR GRID ZERO SOLARVIEW NO INVERSOR SOLIS - TRIFASICO (S5-GR3P15K / S5-GR3P17K / S5-GR3P20K)?
- COMO CONECTAR O MEDIDOR GRID ZERO SOLARVIEW NO INVERSOR SOLIS - TRIFASICO (Solis 3P3K-4G / 3P4K-4G / 3P5K-4G / 3P6K-4G / 3P8K-4G / 3P9K-4G / 3P10K-4G / 3P5K-4G-LV / 3P6K-4G-LV)
- COMO CONECTAR O MEDIDOR GRID ZERO SOLARVIEW NO INVERSOR SOLIS - TRIFASICO (Solis 3P3K-4G / 3P4K-4G / 3P5K-4G / 3P6K-4G / 3P8K-4G / 3P9K-4G / 3P10K-4G / 3P5K-4G-LV / 3P6K-4G-LV)?
- COMO CONECTAR O MEDIDOR GRID ZERO SOLARVIEW NO INVERSOR SOLIS - TRIFASICO (Solis S5-GC25K / S5-GC30K / S5-GC33K / S5-GC36K / S5-GC37.5K / S5-GC40K / S5-GC40K-HV / S5-GC50K-HV / S5-GC15K-LV / S5-GC20K-LV / S5-GC23K-LV)?
- COMO CONECTAR O MEDIDOR GRID ZERO SOLARVIEW NO INVERSOR SOLIS - TRIFASICO (Solis S5-GC50K-LV / S5-GC60K-LV / S5-GC100K / S5-GC110K / S5-GC100K-SA / S5-GC110K-SA / S5-GC110K-K20 / S5-GC110K-K25 / S5-GC110K-K30 / S5-GC125K-HV)?
- COMO CONECTAR O MEDIDOR GRID ZERO SOLARVIEW NO INVERSOR SOLIS - TRIFASICO (Solis S5-GC75K / S5-GC80K / S5-GC100K-HV / S5-GC110K-BHV)?
- COMO CONECTAR O MEDIDOR GRID ZERO SOLARVIEW NO INVERSOR SOLIS - TRIFASICO (Solis S6-GC3P15K03-LV-ND / S6-GC3P20K03-LV-ND / S6-GC3P25K03-NV-ND / 6-GC3P30K03-NV-ND / S6-GC3P33K03-NV-ND / S6-GC3P36K03-NV-ND / S6-GC3P40K03-HV-ND)?
- COMO CONECTAR O MEDIDOR GRID ZERO SOLARVIEW NO INVERSOR SOLIS - TRIFASICO (Solis S6-GC3P23K03-LV-ND / S6-GC3P25K04-LV-ND / S6-GC3P30K04-LV-ND / S6-GC3P36K04-LV-ND / S6-GC3P37.5K04-LV-ND / S6-GC3P37.5K04-NV-ND / 6-GC3P40K04-NV-ND / S6-GC3P50K04-HV-ND / S6-GC3P50K04-NV-ND / S6-GC3P60K05-HV-ND / S6-GC3P60K05-NV-ND)?
- COMO CONECTAR O MEDIDOR GRID ZERO SOLARVIEW NO INVERSOR SUNGROW MONOFÁSICO (SG2K-S / SG2K5-S / SG3K-S)
- COMO CONECTAR O MEDIDOR GRID ZERO SOLARVIEW NO INVERSOR SUNGROW MONOFÁSICO (SG3K-D / SG5K-D / SG8K-D)
- COMO CONECTAR O MEDIDOR GRID ZERO SOLARVIEW NO INVERSOR SUNGROW MONOFÁSICO (SUNGROW SG2.0RS-S / SG2.5RS-S / SG3.0RS-S / SG3.0RS / SG3.6RS / SG4.0RS / SG5.0RS / SG6.0RS)
- COMO CONECTAR O MEDIDOR GRID ZERO SOLARVIEW NO INVERSOR SUNGROW MONOFÁSICO (SUNGROW SG5.0RS-ADA / SG8.0RS / SG9.0RS / SG10RS)
- COMO CONECTAR O MEDIDOR GRID ZERO SOLARVIEW NO INVERSOR SUNGROW MONOFÁSICO (SUNGROW SG8.0RS / SG9.0RS / SG10RS)
- COMO CONECTAR O MEDIDOR GRID ZERO SOLARVIEW NO INVERSOR SUNGROW- TRIFÁSICO (SG15CX-P2-LV / SG20CX-P2-LV / SG25CX-P2-LV)
- COMO CONECTAR O MEDIDOR GRID ZERO SOLARVIEW NO INVERSOR SUNGROW- TRIFÁSICO (SUNGROW SG25CX-P2 /SG30CX-P2 / SG33CX-P2 / SG36CX-P2 / SG40CX-P2 SG50CX-P2)
- COMO CONECTAR O MEDIDOR GRID ZERO SOLARVIEW NO INVERSOR SUNGROW- TRIFÁSICO (SUNGROW SG3.0RT / SG4.0RT / SG5.0RT / SG6.0RT / SG7.0RT / SG8.0RT / SG10RT / SG12RT / SG15RT / SG17RT / SG20RT)
- COMO CONECTAR O MEDIDOR GRID ZERO SOLARVIEW NO INVERSOR SUNGROW- TRIFÁSICO (SUNGROW SG5.0RT-P2 / SG6.0RT-P2 / SG7.0RT-P2 / SG8.0RT-P2 / SG10RT-P2 / SG12RT-P2 / SG15RT-P2 / SG17RT-P2 / SG20RT-P2)
- COMO CONECTAR O MEDIDOR GRID ZERO SOLARVIEW NO INVERSOR SUNGROW- TRIFÁSICO (SUNGROW SG75CX-LV)
- COMO CONECTAR O MEDIDOR GRID ZERO SOLARVIEW NO INVERSOR SUNGROW- TRIFÁSICO (SUNGROW SG75CX-P2 / SG110CX-P2 / SG125CX-P2)
- COMO CONECTAR O MEDIDOR GRID ZERO SOLARVIEW NO INVERSOR SUNGROW- TRIFÁSICO (SUNGROW SH5.0RT / SH6.0RT / SH8.0RT / SH10RT)
- COMO CONECTAR O MEDIDOR GRID ZERO SOLARVIEW NO INVERSOR WEG - TRIFÁSICO (SIW400G T075 W0 e SIW400G T100 W0)
- COMO CONECTAR O MEDIDOR GRID ZERO SOLARVIEW NO INVERSORES SOLAREDGE TRIFASICOS
- COMO CONFIGURAR INVERSOR SOLAREDGE COM O MEDIDOR SMART METER GRID ZERO SOLARVIEW
- Como configurar o medidor GridZero SolarView no Controlador EPM3-5G-PRO
- Como configurar o medidor GridZero SolarView no Controlador Growatt ShineMaster
- Como configurar o medidor GridZero SolarView no Controlador Huawei SmartLogger3000
- Como configurar o medidor GridZero SolarView no Controlador SAJ eSolar-SEC
- Como configurar o medidor GridZero SolarView no Controlador Solplanet Ai-Logger 1000
- Como configurar o medidor GridZero SolarView no Controlador Sungrow Logger 1000B
- Como funciona a licença de software para Datalogger/Medidor?
- Como instalar e configurar o medidor Grid Zero NO CONTROLADOR dos inversores?
- Como instalar e configurar o medidor inteligente Smart Meter SolarView 3.0?
- Como instalar e configurar o medidor Smart Meter SolarView 2.0?
- Como Instalar o medidor GridZero SolarView Média Tensão
- Manuais de instalação para Grid Zero Deye
- Manuais de instalação para Grid Zero Solis
- Manuais de instalação para Grid Zero Solplanet
- Manuais de instalação para Grid zero WEG
- Manual do usuário – Smart Meter Grid Zero SolarView
- O que é o SMART METER SOLARVIEW GRID ZERO?
- Quais inversores estão integrados ao medidor inteligente Smart Meter SolarView Grid Zero?
- RELATORIO DE TESTE DE CONFORMIDADE INTEGRAÇÃO MEDIDOR SMART METER GRIDZERO SOLARVIEW COM INVERSORES DA SOFAR.
- Show all articles (62) Collapse Articles
-
comercial
COMO CONECTAR O MEDIDOR GRID ZERO SOLARVIEW NO INVERSOR HUAWEI TRIFÁSICO (SUN2000-8KTL-M2 / SUN2000-10KTL-M2 / SUN2000-12KTL-M2 / SUN2000-15KTL-M2 / SUN2000-17KTL-M2 / SUN2000-20KTL-M2)
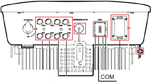
1- Prepare um cabo par trançado que servirá para conectar o medidor com o inversor. Utilize o par Azul e Branco e Azul escuro para fazer a conexão no medidor e inversor.

2- Desligue o lado CA depois o lado CC e aguarde 5 minutos até os capacitores descarregarem, para ter segurança ao manusear o inversor.
3- Na face inferior do inversor abra a porta “COM”.

4- Faça a crimpagem do conector “COM”.
4.1 Retire o conector da porta COM.
4.2 Conecte o fio azul e branco no pino 7.
4.3 Conecte o fio azul escuro no pino 9.

5- Faça a ligação no medidor no borne
5.1 Conecte o cabo azul e branco no borne RS485-A (+) no pino 7 do conector do inversor.
5.2 Conecte o cabo azul no borne RS485-B (-) no pino 9 do inversor.

6- Finalize a instalação do cabo e ligue o inversor novamente.
COMO CONFIGURAR O MEDIDOR GRID ZERO SOLARVIEW PARA COMUNICAR COM O INVERSOR HUAWEI TRIFÁSICO
1- Em seu smartphone, faça o download e instale o aplicativo “SolarView”, clicando no link abaixo. Se já tiver baixado o aplicativo, atualize para a última versão.
https://go.solarview.com.br/cfg/gzsv
2- Abra o aplicativo. No final da tela de login clique em “Configurar Equipamento”. Caso tenha feito o login, abra o menu lateral e clique em “Configurar Equipamento”.

3- Selecione a opção “Grid Zero SolarView”.

4- Verifique se o LED do medidor está acesso e clique em Sim.

5- Aperte o botão por 5 segundos até o LED azul começar a piscar azul.

6- Selecione a serial do medidor desejado na tela de medidores próximos.

7- Na página de configurações gerais, realize a “Configuração Completa” do seu equipamento.

7.1 Se já realizou a configuração completa, realize apenas a configuração de Equipamento Mestre na aba “Outras Ações”.

8- Na tela de “Configuração de Equipamento Mestre” será necessário selecionar a “Fabricante”, “Família”, “Modelo” e “Endereço”, seguindo a tabela abaixo:

| Fabricante | Huawei |
| Família | Inversor Trifásico |
| Modelo | Todos |
| Endereço | 1 |
9- Realize o teste de comunicação do medidor. O medidor estará comunicando se mostrar o status “Com Comunicação” e o status do led estará “Ciano”.
9.1) Caso o medidor não apresente comunicação verifique o cabeamento do medidor
9.2) Se não houver comunicação, habilite o controle de exportação do controlador e realize o teste de comunicação novamente.

10- Caso tenha feito a configuração completa, realize a conexão do medidor a rede do local. Selecione a rede local e insira a senha do wifi.

12- Finalize a configuração do app copiando a serial do seu equipamento e utilizando ela para associar a uma unidade no portal de monitoramento.

13- Verifique se a instalação física do medidor foi corretamente concluída pelo guia Como instalar e configurar o medidor Grid Zero.
14- Finalize a Configuração do App.
CONFIGURAÇÃO DO INVERSOR
1- Acesse o App Fusion Solar.
1.1 Utilize o login e senha padrão “installer” e “00000a”.
2- Abra a página de configuração de parâmetros do inversor.
2.1 Acesse a opção de controle de potência
2.2 Abra a opção “Grid-Tie Point Control”.
2.3 Selecione a opção de controle “Active Power/Potência Ativa”.


3- Nas configurações de controle ativo de potência selecione o modo de controle e se necessário a potência a ser exportada.
3.1 Selecione a opção “Grid Connected with Zero Power” se deseja que a função grid zero ocorra.
3.2 Selecione a opção “Power-Limited Grid Connected” se deseja que o controle parcial ocorra. Defina o valor de limite de potência em kW ou em porcentagem.
3.3 Em “Closed-loop controller” selecione a opção “Inverter”.

4- Finalize a configuração do inversor.
DOCUMENTAÇÃO DE REFERÊNCIA
Manual SUN2000-8KTL-M2~~SUN2000-20KTL-M2
https://support.huawei.com/enterprise/br/doc/EDOC1100167077/dd9a1c8f
Qualquer dúvida, entre em contato com nosso time de atendimento de segunda à sexta das 9h às 17h no canal:
https://wa.me/553134433225
E lembre de conferir as novidades na loja.solarview.com.br
Ou com nosso time comercial =D
https://wa.me/31983708233
Abraço
Time SolarView